欢迎来到无锡艾力德液压科技有限公司官方网站!
网站地图
艾力德液压科技
液压气动设备专业生产企业,工厂设备精良!
网站首页
公司简介
新闻中心
产品中心
荣誉证书
油缸型号
联系我们
Product classification
产品中心
液压缸
气缸
液压控制系统
工程液压油缸
冶金设备液压缸
重载型液压油缸
轻型拉杆液压油缸
非标液压缸
标准型气缸
精密细长轴
液压模拟试验台
液压缸参数
contact us
联系我们
当前位置:
首页
>>
液压缸参数
产品名称
:
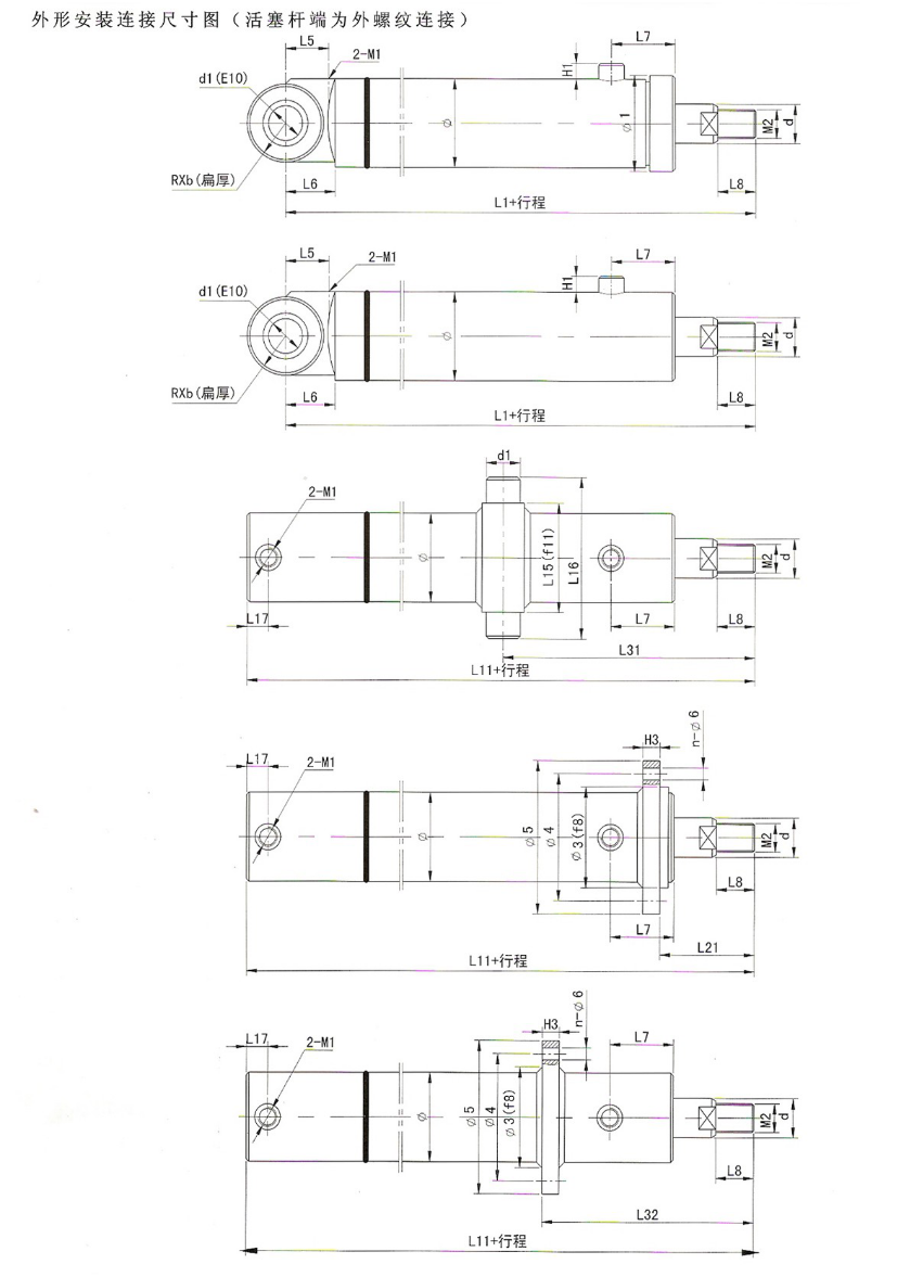
HSG系列液压缸参数
产品类型
:
液压缸参数
发布时间
:
2025-07-23
电话咨询:0510-85598666
产品描述
其他产品
液压油缸
油缸
液压缸